
在調試高速電路時,我們常常會遇到信號波形畸變、過沖、振鈴或者系統輸出功率不足、靈敏度下降的問題,這些問題的背后,一個最常見且關鍵的原因就是——阻抗失配。當發送端與傳輸線之間、傳輸線與接收端之間出現阻抗不匹配時,就會發生反射,這些反射信號會破壞原有的輸出信號,并疊加在原始輸出信號中,從而出現上述一系列問題。

圖1信號反射引起的畸變
本文將從原理出發,系統闡述阻抗匹配如何影響信號,以及如何在工程中實現匹配。
1、什么是阻抗?
阻抗是復數,用Z來標識。Z=R+jX,其中實部為電阻,虛部為電抗,容抗和感抗合稱電抗。
在實際應用中,信號源并不是一個理想的源,它也有阻抗;傳輸線有特性阻抗,特性阻抗由分布電感、電容決定,與長度無關,當信號波長與導線長度一樣時,導線視為傳輸線。
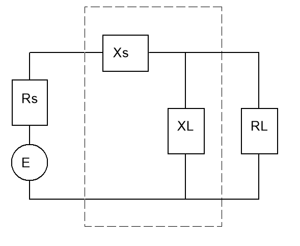
2、什么是阻抗匹配?
阻抗匹配的定義:信號源的阻抗=傳輸線的特性阻抗=負載阻抗,即

圖2 阻抗匹配示意圖
3、如何實現阻抗匹配?
L型匹配網絡
L型匹配網絡,顧名思義,是由兩個電抗元件(電感L和電容C)組成,其連接形狀像字母“L”。它的核心功能是在特定頻率下,將一個復數阻抗(如 R + jX)變換成另一個我們想要的阻抗(通常是純電阻,即系統的特性阻抗Z0,如50Ω)。
L型匹配方式一:左L,該匹配適用于Rs>RL。

圖3 左L匹配示意圖
L型匹配方式二:右L,該匹配適用于Rs 圖4 右L匹配示意圖 對于這兩種方式,可以分為Ls-Cp 低通形式,也可以采用Cs-Lp 高通形式 傳輸線匹配 常采用λ/4阻抗變換器,該傳輸線的特性阻抗Z0'滿足: 所以需要設計一段長度為1.56cm、特性阻抗為70.7Ω的傳輸線匹配。 結合以上L型匹配和傳輸線匹配兩種方式,可以實現源與傳輸線之間,傳輸線與負載之間的阻抗匹配。 阻抗匹配在工程設計中非常重要,尤其是高速電路中,在確保功率傳輸效率、信號完整性和電磁兼容性三個方面有不可替代的作用。 公司介紹



